TS
SDFL

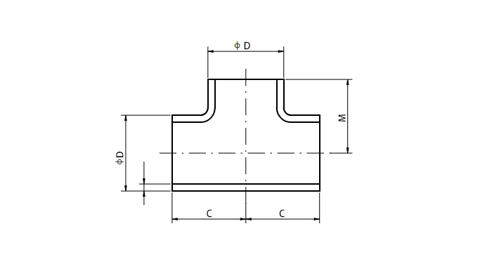
| 공칭 크기 | 외부 직경 | 구조적 차원 | |
| DN | D | M | C |
| 15 | 21.3 | 25 | 25 |
| 20 | 26.9 | 29 | 29 |
| 25 | 33.7 | 38 | 38 |
| 32 | 42.4 | 48 | 48 |
| 40 | 48.3 | 57 | 57 |
| 50 | 60.3 | 64 | 64 |
| 65 | 73 | 76 | 76 |
| 80 | 88.9 | 86 | 86 |
| 90 | 101.6 | 95 | 95 |
| 100 | 114.3 | 105 | 105 |
| 125 | 141.3 | 124 | 124 |
| 150 | 168.3 | 143 | 143 |
| 200 | 219.1 | 178 | 178 |
| 250 | 273 | 216 | 216 |
| 300 | 323.9 | 254 | 254 |
| 350 | 355.6 | 279 | 279 |
| 400 | 406.4 | 305 | 305 |
| 450 | 457 | 343 | 343 |
| 500 | 508 | 381 | 381 |
| 550 | 559 | 419 | 419 |
| 600 | 610 | 432 | 432 |
| 650 | 660 | 495 | 495 |
| 700 | 711 | 521 | 521 |
| 750 | 762 | 559 | 559 |
| 800 | 813 | 597 | 597 |
| 850 | 864 | 635 | 635 |
| 900 | 914 | 673 | 673 |
| 950 | 965 | 711 | 711 |
| 1000 | 1016 | 749 | 749 |
| 1050 | 1067 | 711 | 762 |
| 1100 | 1118 | 762 | 813 |
| 1150 | 1168 | 800 | 851 |
| 1200 | 1219 | 838 | 889 |
| 1300 | 1321 | 908 | 978 |
| 1400 | 1422 | 978 | 1054 |
| 1500 | 1524 | 1054 | 1118 |
응용 프로그램 시나리오 :
화학 반응 시스템 : 촉매 주입 분지 (T-TEE) 격동성 병원 분포 방지
원자력 냉각 회로 : 안전 수도사 (단조 원자력 티), 열 충격 저항성
데이터 센터 액체 냉각 : 냉각수 분포 (구리 합금 티), 정밀 흐름 제어
주요 기능 :
션트 안정성 : 분기 강화 두께 = 0.3 × 메인 벽 (워터 해머 저항)
유동장 최적화 : y-tee는 DN150 PN16에서 ΔP를 55% vs t-tee로 감소시킵니다.
비파괴 테스트 : 100% PAUT는 Ø0.5mm 결함을 감지합니다
맞춤 솔루션 : 공유 P/T/미디어 → 강화 설계 받기!

| 공칭 크기 | 외부 직경 | 구조적 차원 | |
| DN | D | M | C |
| 15 | 21.3 | 25 | 25 |
| 20 | 26.9 | 29 | 29 |
| 25 | 33.7 | 38 | 38 |
| 32 | 42.4 | 48 | 48 |
| 40 | 48.3 | 57 | 57 |
| 50 | 60.3 | 64 | 64 |
| 65 | 73 | 76 | 76 |
| 80 | 88.9 | 86 | 86 |
| 90 | 101.6 | 95 | 95 |
| 100 | 114.3 | 105 | 105 |
| 125 | 141.3 | 124 | 124 |
| 150 | 168.3 | 143 | 143 |
| 200 | 219.1 | 178 | 178 |
| 250 | 273 | 216 | 216 |
| 300 | 323.9 | 254 | 254 |
| 350 | 355.6 | 279 | 279 |
| 400 | 406.4 | 305 | 305 |
| 450 | 457 | 343 | 343 |
| 500 | 508 | 381 | 381 |
| 550 | 559 | 419 | 419 |
| 600 | 610 | 432 | 432 |
| 650 | 660 | 495 | 495 |
| 700 | 711 | 521 | 521 |
| 750 | 762 | 559 | 559 |
| 800 | 813 | 597 | 597 |
| 850 | 864 | 635 | 635 |
| 900 | 914 | 673 | 673 |
| 950 | 965 | 711 | 711 |
| 1000 | 1016 | 749 | 749 |
| 1050 | 1067 | 711 | 762 |
| 1100 | 1118 | 762 | 813 |
| 1150 | 1168 | 800 | 851 |
| 1200 | 1219 | 838 | 889 |
| 1300 | 1321 | 908 | 978 |
| 1400 | 1422 | 978 | 1054 |
| 1500 | 1524 | 1054 | 1118 |
응용 프로그램 시나리오 :
화학 반응 시스템 : 촉매 주입 분지 (T-TEE) 격동성 병원 분포 방지
원자력 냉각 회로 : 안전 수도사 (단조 원자력 티), 열 충격 저항성
데이터 센터 액체 냉각 : 냉각수 분포 (구리 합금 티), 정밀 흐름 제어
주요 기능 :
션트 안정성 : 분기 강화 두께 = 0.3 × 메인 벽 (워터 해머 저항)
유동장 최적화 : y-tee는 DN150 PN16에서 ΔP를 55% vs t-tee로 감소시킵니다.
비파괴 테스트 : 100% PAUT는 Ø0.5mm 결함을 감지합니다
맞춤 솔루션 : 공유 P/T/미디어 → 강화 설계 받기!