| 가용성 상태: | |
|---|---|
| 수량: | |
PL 플랜지
SDFL

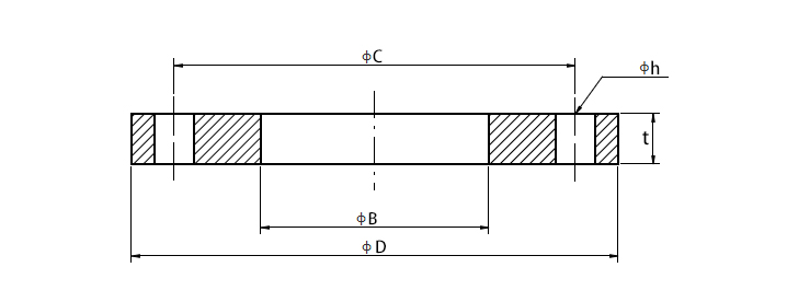
| 공칭 크기 | 외경 | 내 직경 | 중앙 원의 직경 | 플랜지 전체 높이 | 볼트 홀 직경 | 볼트 구멍의 수 |
| DN | D | B | C | t | h | |
| 10A | 90 | 17.8 | 65 | 12 | 15 | 4 |
| 15a | 95 | 22.2 | 70 | 12 | 15 | 4 |
| 20A | 100 | 27.7 | 75 | 14 | 15 | 4 |
| 25A | 125 | 34.5 | 90 | 14 | 19 | 4 |
| 32A | 135 | 43.2 | 100 | 16 | 19 | 4 |
| 40a | 140 | 49.1 | 105 | 16 | 19 | 4 |
| 50a | 155 | 61.1 | 120 | 16 | 19 | 4 |
| 65A | 175 | 77.1 | 140 | 18 | 19 | 4 |
| 80a | 185 | 90 | 150 | 18 | 19 | 8 |
| 90A | 195 | 102.6 | 160 | 18 | 19 | 8 |
| 100A | 210 | 115.4 | 175 | 18 | 19 | 8 |
| 125a | 250 | 141.2 | 210 | 20 | 23 | 8 |
| 150a | 280 | 166.6 | 240 | 22 | 23 | 8 |
| 175a | 305 | 192.1 | 265 | 22 | 23 | 12 |
| 200a | 330 | 218 | 290 | 22 | 23 | 12 |
| 225A | 350 | 243.7 | 310 | 22 | 23 | 12 |
| 250A | 400 | 269.5 | 355 | 24 | 25 | 12 |
| 300A | 445 | 321 | 400 | 24 | 25 | 16 |
| 350a | 490 | 358.1 | 445 | 26 | 25 | 16 |
| 400A | 560 | 409 | 510 | 28 | 27 | 16 |
| 450a | 620 | 460 | 565 | 30 | 27 | 20 |
| 500A | 675 | 511 | 620 | 30 | 27 | 20 |
| 550a | 745 | 562 | 680 | 32 | 33 | 20 |
| 600A | 795 | 613 | 730 | 32 | 33 | 24 |
| 650a | 845 | 664 | 780 | 34 | 33 | 24 |
| 700A | 905 | 715 | 840 | 34 | 33 | 24 |
| 750a | 970 | 766 | 900 | 36 | 33 | 24 |
| 800A | 1020 | 817 | 950 | 36 | 33 | 28 |
| 850a | 1070 | 868 | 1000 | 36 | 33 | 28 |
| 900A | 1120 | 919 | 1050 | 38 | 33 | 28 |
| 1000a | 1235 | 1021 | 1160 | 40 | 39 | 28 |
| 1100A | 1345 | 1122 | 1270 | 42 | 39 | 28 |
| 1200A | 1465 | 1224 | 1380 | 44 | 39 | 32 |
| 1350a | 1630 | 1376 | 1540 | 48 | 45 | 36 |
| 1500A | 1795 | 1529 | 1700 | 50 | 45 | 40 |
응용 프로그램
저압 정적 시스템 :
(1) 물 탱크, 환기 덕트, HVAC 덕트 (≤ Class 150).
(2) 기계의 저압 냉각수 라인.
(3) 비 임계 배수관.
비용 중심 프로젝트 :
(1) 예산 인프라 (예 : 농업 관개).
(2) 임시 배관 또는 프로토 타입 테스트.
비 압력 응용 프로그램 :
(1) 파이프 끝 블랭킹 (블라인드 플랜지 기능).
(2) 장비 덮개 (예 : 필터, 탱크).
유체 위험이 낮은 환경 :
주변 조건에서 공기, 물, 불활성 가스.

| 공칭 크기 | 외경 | 내 직경 | 중앙 원의 직경 | 플랜지 전체 높이 | 볼트 홀 직경 | 볼트 구멍의 수 |
| DN | D | B | C | t | h | |
| 10A | 90 | 17.8 | 65 | 12 | 15 | 4 |
| 15a | 95 | 22.2 | 70 | 12 | 15 | 4 |
| 20A | 100 | 27.7 | 75 | 14 | 15 | 4 |
| 25A | 125 | 34.5 | 90 | 14 | 19 | 4 |
| 32A | 135 | 43.2 | 100 | 16 | 19 | 4 |
| 40a | 140 | 49.1 | 105 | 16 | 19 | 4 |
| 50a | 155 | 61.1 | 120 | 16 | 19 | 4 |
| 65A | 175 | 77.1 | 140 | 18 | 19 | 4 |
| 80a | 185 | 90 | 150 | 18 | 19 | 8 |
| 90A | 195 | 102.6 | 160 | 18 | 19 | 8 |
| 100A | 210 | 115.4 | 175 | 18 | 19 | 8 |
| 125a | 250 | 141.2 | 210 | 20 | 23 | 8 |
| 150a | 280 | 166.6 | 240 | 22 | 23 | 8 |
| 175a | 305 | 192.1 | 265 | 22 | 23 | 12 |
| 200a | 330 | 218 | 290 | 22 | 23 | 12 |
| 225A | 350 | 243.7 | 310 | 22 | 23 | 12 |
| 250A | 400 | 269.5 | 355 | 24 | 25 | 12 |
| 300A | 445 | 321 | 400 | 24 | 25 | 16 |
| 350a | 490 | 358.1 | 445 | 26 | 25 | 16 |
| 400A | 560 | 409 | 510 | 28 | 27 | 16 |
| 450a | 620 | 460 | 565 | 30 | 27 | 20 |
| 500A | 675 | 511 | 620 | 30 | 27 | 20 |
| 550a | 745 | 562 | 680 | 32 | 33 | 20 |
| 600A | 795 | 613 | 730 | 32 | 33 | 24 |
| 650a | 845 | 664 | 780 | 34 | 33 | 24 |
| 700A | 905 | 715 | 840 | 34 | 33 | 24 |
| 750a | 970 | 766 | 900 | 36 | 33 | 24 |
| 800A | 1020 | 817 | 950 | 36 | 33 | 28 |
| 850a | 1070 | 868 | 1000 | 36 | 33 | 28 |
| 900A | 1120 | 919 | 1050 | 38 | 33 | 28 |
| 1000a | 1235 | 1021 | 1160 | 40 | 39 | 28 |
| 1100A | 1345 | 1122 | 1270 | 42 | 39 | 28 |
| 1200A | 1465 | 1224 | 1380 | 44 | 39 | 32 |
| 1350a | 1630 | 1376 | 1540 | 48 | 45 | 36 |
| 1500A | 1795 | 1529 | 1700 | 50 | 45 | 40 |
응용 프로그램
저압 정적 시스템 :
(1) 물 탱크, 환기 덕트, HVAC 덕트 (≤ Class 150).
(2) 기계의 저압 냉각수 라인.
(3) 비 임계 배수관.
비용 중심 프로젝트 :
(1) 예산 인프라 (예 : 농업 관개).
(2) 임시 배관 또는 프로토 타입 테스트.
비 압력 응용 프로그램 :
(1) 파이프 끝 블랭킹 (블라인드 플랜지 기능).
(2) 장비 덮개 (예 : 필터, 탱크).
유체 위험이 낮은 환경 :
주변 조건에서 공기, 물, 불활성 가스.