| 가용성 상태: | |
|---|---|
| 수량: | |
그래서 플랜지
SDFL

F304 스테인리스 스틸 로 제작 된 이 EN 1092-1 SO Flange (슬립 온) 는 저압 산업 파이프 라인 의 신뢰성을 위해 설계되었습니다 . DN25 (1 ') 공칭 크기 및 PN10 압력 등급 (1.0 MPa)을 사용하면 쉽게 설치하고 적당한 부식 저항이 필요한 시스템에 대한 비용 효율적인 솔루션을 제공합니다. 미끄러짐 설계는 어셈블리 중 정렬을 단순화하여 유럽 및 글로벌 시장에서 ENDARDARD를 준수하는 소규모 보어 파이프 라인에 선호되는 선택을 단순화합니다.
매개 변수 | 세부 |
기준 | CE 마킹 요구 사항을 준수하는 EN 1092-1 유형 11 (슬립 온 플랜지) |
재료 | 18% 크롬 및 8% 니켈 함량이있는 스테인레스 스틸 1.4301 (F304). |
씰 유형 | EN 1514-2 개스킷과 호환되는 1.6mm 인 밀봉 표면을 가진 얼굴 (RF) |
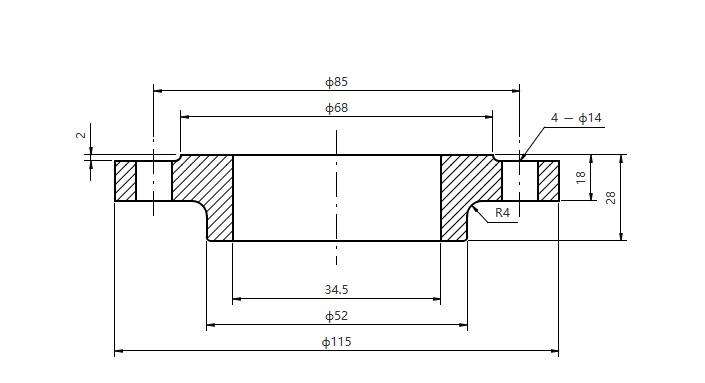
Dimensions | OD : 115mm, 볼트 원 : 85mm, 두께 : 14mm, 4x M10 볼트 구멍 (피치 원선 직경 85mm) |
슬립 온 디자인 : 파이프 외경 (DN25의 경우 28.2mm)과 쉽게 정렬 할 수 있으며 내부 및 외부 모서리 모두에서 단면 필렛 용접 만 필요하므로 용접 넥 플랜지에 비해 설치 시간을 40% 줄입니다.
유럽 규정 준수 : 치수 정확도 및 압력 성능에 대한 EN 1092-1 PN10 표준을 완전히 충족시켜 EU 제조 파이프, 밸브 및 피팅과의 원활한 통합을 보장합니다.
부식 저항성 : F304 스테인레스 스틸은 온화한 산 (pH 4-8), 알칼리성 용액 및 대기 부식을 견딜 수있는 보호 산화 층을 형성하여 실내 및 실외 설치에 적합합니다.
비용 효율적인 : 압축 공기 라인 (최대 0.8 MPa), 식수 분포 및 저압 화학 투약 시스템과 같은 비 약한 응용 분야 에 이상적입니다.
HVAC 시스템 : PN10 플랜지는 상업용 건물의 냉각수 순환 파이프를 연결하여 에어컨 및 난방 네트워크에서 안정적인 압력 (≤1.0 MPa)을 유지합니다.
일반 산업 : DN25 연결은 정밀한 흐름 제어 및 부식 저항이 필수적 인 폐수 처리장에서 소규모 화학 투약 시스템을 용이하게합니다.
Q :이 플랜지는 메트릭 파이프와 함께 사용할 수 있습니까?
A : 그렇습니다. 슬립 온 디자인은 ISO 336 DN25 파이프 (외경 28.2mm)를 수용하도록 특별히 설계되며 용접하기 전에 쉽게 피팅하기 위해 1.5mm 클리어런스가 있습니다.
Q : 볼트에 어떤 토크를 적용해야합니까?
A : PN10 애플리케이션에는 35–40 N · M로 Torqued 균일 한 개스킷 압축을 보장하려면 택시 시퀀스를 따라 가십시오. M10 스테인레스 스틸 볼트를 사용하십시오.
Q : 가혹한 환경에서 표면 처리를 사용할 수 있습니까?
A : 옵션 패시베이션 처리 (ASTM A967 당)는 표면에서 자유 철을 제거하여 실외 또는 높은 구조 설치에 권장되어 부식 저항을 향상시킵니다.

F304 스테인리스 스틸 로 제작 된 이 EN 1092-1 SO Flange (슬립 온) 는 저압 산업 파이프 라인 의 신뢰성을 위해 설계되었습니다 . DN25 (1 ') 공칭 크기 및 PN10 압력 등급 (1.0 MPa)을 사용하면 쉽게 설치하고 적당한 부식 저항이 필요한 시스템에 대한 비용 효율적인 솔루션을 제공합니다. 미끄러짐 설계는 어셈블리 중 정렬을 단순화하여 유럽 및 글로벌 시장에서 ENDARDARD를 준수하는 소규모 보어 파이프 라인에 선호되는 선택을 단순화합니다.
매개 변수 | 세부 |
기준 | CE 마킹 요구 사항을 준수하는 EN 1092-1 유형 11 (슬립 온 플랜지) |
재료 | 18% 크롬 및 8% 니켈 함량이있는 스테인레스 스틸 1.4301 (F304). |
씰 유형 | EN 1514-2 개스킷과 호환되는 1.6mm 인 밀봉 표면을 가진 얼굴 (RF) |
Dimensions | OD : 115mm, 볼트 원 : 85mm, 두께 : 14mm, 4x M10 볼트 구멍 (피치 원선 직경 85mm) |
슬립 온 디자인 : 파이프 외경 (DN25의 경우 28.2mm)과 쉽게 정렬 할 수 있으며 내부 및 외부 모서리 모두에서 단면 필렛 용접 만 필요하므로 용접 넥 플랜지에 비해 설치 시간을 40% 줄입니다.
유럽 규정 준수 : 치수 정확도 및 압력 성능에 대한 EN 1092-1 PN10 표준을 완전히 충족시켜 EU 제조 파이프, 밸브 및 피팅과의 원활한 통합을 보장합니다.
부식 저항성 : F304 스테인레스 스틸은 온화한 산 (pH 4-8), 알칼리성 용액 및 대기 부식을 견딜 수있는 보호 산화 층을 형성하여 실내 및 실외 설치에 적합합니다.
비용 효율적인 : 압축 공기 라인 (최대 0.8 MPa), 식수 분포 및 저압 화학 투약 시스템과 같은 비 약한 응용 분야 에 이상적입니다.
HVAC 시스템 : PN10 플랜지는 상업용 건물의 냉각수 순환 파이프를 연결하여 에어컨 및 난방 네트워크에서 안정적인 압력 (≤1.0 MPa)을 유지합니다.
일반 산업 : DN25 연결은 정밀한 흐름 제어 및 부식 저항이 필수적 인 폐수 처리장에서 소규모 화학 투약 시스템을 용이하게합니다.
Q :이 플랜지는 메트릭 파이프와 함께 사용할 수 있습니까?
A : 그렇습니다. 슬립 온 디자인은 ISO 336 DN25 파이프 (외경 28.2mm)를 수용하도록 특별히 설계되며 용접하기 전에 쉽게 피팅하기 위해 1.5mm 클리어런스가 있습니다.
Q : 볼트에 어떤 토크를 적용해야합니까?
A : PN10 애플리케이션에는 35–40 N · M로 Torqued 균일 한 개스킷 압축을 보장하려면 택시 시퀀스를 따라 가십시오. M10 스테인레스 스틸 볼트를 사용하십시오.
Q : 가혹한 환경에서 표면 처리를 사용할 수 있습니까?
A : 옵션 패시베이션 처리 (ASTM A967 당)는 표면에서 자유 철을 제거하여 실외 또는 높은 구조 설치에 권장되어 부식 저항을 향상시킵니다.